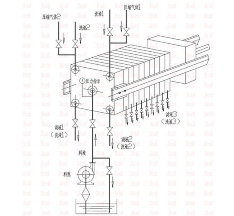
一、机械式压滤机处理废水操作及注意事项
1.压紧滤板:接通电源,启动电机,将压滤机滤板压紧。注意压紧滤板前应检查滤板数量,应满足规定要求,滤板密封面之间不粘任何异物,滤布平帖于滤板无皱褶。
2.保压:机械压紧达到压滤机压力。
3.进料过滤:进入保压状态后,检查各管路阀门开闭状态,确认无误后启动进料泵,料液通过止推板上的进料孔进入各个滤室,在规定的压力下加压过滤,逐渐形成滤饼。在进料过程中注意观察滤液及进料压力变化。
注意进料泵水位应正常,进料过程应连续,以免进料孔堵塞出现压差,导致滤板破裂。当滤液流出很慢滤饼压力达到5公斤以上时,关闭进料泵。
4.松开滤板卸滤饼:接通电源,启动电机,松开压紧板,卸除滤饼。
5.清洗整理滤布:定期对滤布进行清洗。清洗整理滤布时应仔细检查滤布是否有破损,进料孔、出液孔是否堵塞,每次进料都应认真检查进料口,以免造成压力差,导致滤板损坏。
注意:进料泵水位、油位变化;压滤机变速箱油位变化。

二、板框压滤机的使用
1.设备的安装及调试
(1)按照供方提供的底脚尺寸设计预埋孔,采用两次灌浆法。
(2)压滤机周围应留有足够空间,以便于操作和维护保养。
(3)压滤机应水平放置在地坪上,后顶板用底脚螺拴固定在基础上。
注意:底脚螺拴一般只固定后顶板,因拉干由于板框的压力产生一定的向下弯曲,当压滤机压紧工作时,拉干被拉直,从而产生小量位移,如果两端同时固定,有可能导致压不紧或者损坏机架。
(4)滤布的材质、规格按照过滤的物料、压力、温度而定,应选择适宜的滤布。
(5)板框按照要求整齐地排放在机架上,将加工好的滤布整齐地排在滤板上,注意滤板间进料孔和漂洗孔相对应。
(6)接通电源,检查是否正常。机械传动要检查电机正反转是否符合要求,减速箱、机头油杯机油是否加满,丝杆、齿轮润滑油是否加好。液压传动检查齿轮泵运转声音是否正常,液压系统有无泄漏情况,活塞杆进出是否平稳。

2.板框压滤机的操作规程
(1)压滤机操作方法
a.滤前检查
操作前应检查进出管路,连接是否有渗漏或堵塞,管路与压滤机板框、滤布是否保持清洁,进液泵及各阀门是否正常。
检查机架各连接零件及螺栓、螺母有无松动,应随时予以调整紧固,相对运动的零件必须经常保持良好的润滑,检查减速机和螺母油杯油位是否到位,电机正反转是否正常。
b.准备过滤
接通外接电源,按动操作箱按钮,使电机反转,将中顶板退到适当位置,再按停止按钮。
将清洁的滤布挂在滤板两面,并将料孔对准,滤布必须大于滤板密封面,布孔不得大于管孔,并抚平不准有折叠以免漏夜,板框必须对整齐,漂洗式过滤滤板次序不可放错。
按动操作箱上的正转按钮,使中顶板将滤板压紧,当达到一定的电流后按停止按钮。
c.过滤
打开滤液出口阀门,启动进料泵并渐渐开启进料阀门调节回料阀门,视过滤速度压力逐渐加大,一般不得大于0.6MPa,刚开始时,滤液往往浑浊,然后转清。如滤板间有较大渗漏,可适当加大中顶板顶紧力,但因滤布有毛细现象,仍有少量滤液渗出,属正常现象可由托盆接贮。
监视滤出液,发现浑浊时,明流式可关闭该阀,继续过滤,如暗流应停机更换破损滤布,当料液滤完或框中滤渣已满不能再继续过滤,即为一次过滤结束。
d.过滤结束
输料泵停止工作,关闭进料阀门。
出渣时按电机反转按钮,使中顶板收回。
卸滤渣并将滤布、滤板、滤框冲洗干净,叠放整齐,以防板框变形,也可依次放在压滤机里用压紧板顶紧以防变形,冲洗场地及擦洗机架,保持机架及场地整洁,切断外接电源,整个过滤工作结束。

(2)压滤机操作规程
a.所有规格压滤机上面所放滤板数量均不能少于铭牌规定的数量,压紧压力、进料压力、压榨压力与进料温度均不能超过说明书规定范围。滤布损坏应及时更换液压油。一般环境下半年更换一次液压油,灰尘大的环境下1-3个月更换一次及清洗一次油缸、油箱等所有液压元件。
b.机械式压滤机传动部位丝杆、丝母、轴承、轴室及液压型机械型滑轮轴等每班应加注2-3次液态润滑油,严禁在丝杆上抹干式钙基脂润滑油,严禁在压紧状态下再次启动压紧动作,严禁随意调整电流继电器参数。
c.液压式压滤机在工作时油缸后禁止人员停留或经过,压紧或退回时必须有人看守作业,各液压件不得随意调整,以防压力失控造成设备损坏或危及人身安全。
d.滤板密封面必须清洁无褶皱,滤板应与主梁拉垂直且整齐,不得一边偏前一边偏后,否则不得启动压紧动作。拉板卸渣过程中严禁将头和肢体伸入滤板间。油缸内空气必须排净。
e.所有滤板进料口必须清除干净,以免堵塞使用损坏滤板。滤布应及时清洗。
f.电控箱要保持干燥,各种电器禁止用水冲洗。压滤机必须有接地线,以防短路、漏电。
3.设备的维护和保养
(1)经常检查板框压滤机的各连接部件有无松动,应及时紧固调整。
(2)要经常清洗、更换板框压滤机的滤布,工作完毕时应及时清理残渣,不能在板框上干结成块,以防止再次使用时漏料。经常清理水条和排水孔,保持畅通。
(3)要经常更换板框压滤机的机油或液压油,对于转动部件要保持良好的润滑。
(4)压滤机长期不用应上油封存,板框应平整地堆放在通风干燥的库房,堆放高度不超过2m,以防止弯曲变形。